摘要(yao):在電(dian)磁流(liu)量計(ji)
測井(jing)中,套(tao)管的(de)接箍(gu)曲線(xian)作爲(wei)常規(gui)的測(ce)井資(zi)料進(jin)行測(ce)量✌️,用(yong)🔴于🔆測(ce)井曲(qu)線深(shen)度校(xiao)正。由(you)于電(dian)磁流(liu)量計(ji)的測(ce)🧡井工(gong)👈藝所(suo)限,使(shi)♍電磁(ci)🌈流量(liang)計中(zhong)磁性(xing)定位(wei)器的(de)測井(jing)效果(guo)-直不(bu)好,影(ying)響測(ce)井資(zi)料質(zhi)量。文(wen)章簡(jian)述了(le)🌐磁性(xing)定位(wei)器和(he)脈沖(chong)互感(gan)式接(jie)箍檢(jian)測器(qi)的測(ce)井原(yuan)理,說(shuo)明了(le)傳統(tong)磁性(xing)定位(wei)🚶♀️器存(cun)在的(de)弊端(duan)和脈(mo)沖互(hu)感式(shi)接箍(gu)檢測(ce)器的(de)技術(shu)特點(dian),并通(tong)過測(ce)井對(dui)💞比試(shi)👄驗,展(zhan)示了(le)用脈(mo)沖互(hu)感式(shi)接箍(gu)檢測(ce)器取(qu)代電(dian)磁流(liu)量計(ji)中磁(ci)性定(ding)位器(qi)的應(ying)用效(xiao)果。
0引(yin)言
電(dian)磁流(liu)量計(ji)測井(jing)儀用(yong)于聚(ju)合物(wu)驅注(zhu)入剖(pou)面測(ce)井,在(zai)🌂油田(tian)生産(chan)🧑🏾🤝🧑🏼開發(fa)中發(fa)揮着(zhe)重要(yao)作用(yong)。然而(er),在電(dian)磁流(liu)量計(ji)測🈲井(jing)中磁(ci)性定(ding)位♊器(qi)不能(neng)錄取(qu)到合(he)格的(de)磁性(xing)定位(wei)曲線(xian),這🍓個(ge)問題(ti)多年(nian)來一(yi)直是(shi)困擾(rao)在從(cong)事電(dian)磁流(liu)量計(ji)測井(jing)的現(xian)場操(cao)作人(ren)員和(he)從事(shi)電磁(ci)流🚶量(liang)計測(ce)井資(zi)料解(jie)釋人(ren)員的(de)一個(ge)難題(ti)。爲了(le)解決(jue)這個(ge)難題(ti),我們(men)從磁(ci)性定(ding)位器(qi)的測(ce)井原(yuan)理入(ru)手,找(zhao)出磁(ci)性定(ding)位器(qi)在電(dian)🚶磁流(liu)量測(ce)井工(gong)藝中(zhong)所存(cun)在的(de)弊端(duan)。傳統(tong)磁性(xing)定位(wei)器💞采(cai)用磁(ci)鋼加(jia)線圈(quan)的方(fang)法,通(tong)過💛儀(yi)器相(xiang)對🐪井(jing)壁移(yi)動,實(shi)現在(zai)接箍(gu)位置(zhi)檢測(ce)線🌂圈(quan)中的(de)磁場(chang)重新(xin)分布(bu),被動(dong)地使(shi)接收(shou)線圈(quan)産生(sheng)感生(sheng)電⛱️動(dong)勢,從(cong)而達(da)到檢(jian)測接(jie)箍的(de)目的(de),這種(zhong)方法(fa)受測(ce)速和(he)儀💃🏻器(qi)居中(zhong)等因(yin)素的(de)影響(xiang)而🈚無(wu)法克(ke)服。脈(mo)沖互(hu)感式(shi)接箍(gu)檢測(ce)器采(cai)用主(zhu)動的(de)脈沖(chong)磁激(ji)勵互(hu)感方(fang)法,達(da)到檢(jian)測套(tao)管接(jie)箍的(de)目的(de)凹。這(zhe)種🔴方(fang)法受(shou)測速(su)和居(ju)中的(de)影響(xiang)很小(xiao),不僅(jin)滿足(zu)-般🚶測(ce)井的(de)需要(yao),也比(bi)較适(shi)用于(yu)電磁(ci)流量(liang)測井(jing)工藝(yi)中。
1傳(chuan)統磁(ci)性定(ding)位器(qi)測井(jing)原理(li)
常規(gui)磁性(xing)定位(wei)器是(shi)由兩(liang)個永(yong)久磁(ci)鋼和(he)-一個(ge)檢測(ce)線圈(quan)⁉️組成(cheng),當儀(yi)器沿(yan)井身(shen)移動(dong)時,由(you)于儀(yi)器周(zhou)圍介(jie)質的(de)磁阻(zu)發生(sheng)💋變化(hua),使通(tong)過線(xian)圈的(de)磁力(li)線重(zhong)新分(fen)布,磁(ci)通密(mi)度發(fa)生變(bian)化,于(yu)是使(shi)線圈(quan)中産(chan)生感(gan)應電(dian)動勢(shi),大小(xiao)根據(ju)電磁(ci)感應(ying)定律(lü)爲:
即(ji)感應(ying)電動(dong)勢等(deng)于磁(ci)通量(liang)的時(shi)間變(bian)化率(lü)的負(fu)值,它(ta)的大(da)小.與(yu)介質(zhi)磁阻(zu)的變(bian)化、測(ce)速、磁(ci)場強(qiang)度及(ji)線圈(quan)尺寸(cun)有🔱關(guan)。
2傳統(tong)磁性(xing)定位(wei)器存(cun)在弊(bi)端
2.1儀(yi)器居(ju)中的(de)影響(xiang)
當測(ce)井工(gong)藝要(yao)求下(xia)井儀(yi)器居(ju)中測(ce)井時(shi),儀器(qi)距井(jing)壁有(you)一定(ding)的距(ju)離,在(zai)測井(jing)速度(du)--定的(de)情況(kuang)下,儀(yi)器通(tong)🥵過接(jie)箍時(shi)檢測(ce)🔞線圈(quan)🏃🏻♂️内磁(ci)🌍通量(liang)變化(hua)量要(yao)比貼(tie)靠井(jing)壁時(shi)的磁(ci)通量(liang)變化(hua)量小(xiao),線圈(quan)輸出(chu)感❄️生(sheng)電動(dong)勢的(de)幅度(du)低,減(jian)小了(le)信噪(zao)比,降(jiang)低了(le)磁性(xing)定位(wei)🔞器對(dui)接箍(gu)的分(fen)辨率(lü)。
2.2管柱(zhu)内徑(jing)的影(ying)響
同(tong)樣是(shi)在居(ju)中和(he)測井(jing)速度(du)一定(ding)的情(qing)況下(xia),在直(zhi)徑🌈大(da)🈲的管(guan)柱内(nei)測井(jing)時,線(xian)圈中(zhong)磁通(tong)量的(de)變化(hua)量要(yao)比在(zai)直🈲徑(jing)小的(de)管柱(zhu)内小(xiao),線圈(quan)輸出(chu)的感(gan)生電(dian)動勢(shi)幅度(du)降低(di),輸出(chu)信号(hao)的信(xin)噪比(bi)小,接(jie)箍的(de)分辨(bian)率差(cha)。
2.3測井(jing)速度(du)的影(ying)響
不(bu)管是(shi)貼近(jin)井壁(bi)的測(ce)井工(gong)藝還(hai)是居(ju)中的(de)測井(jing)工藝(yi),如果(guo)測井(jing)速度(du)快,磁(ci)性定(ding)位器(qi)通過(guo)接箍(gu)時,其(qi)線圈(quan)内部(bu)磁🌏通(tong)量變(bian)化率(lü)大,輸(shu)出感(gan)生電(dian)動勢(shi)高;反(fan)之測(ce)井速(su)度慢(man),磁通(tong)量變(bian)化率(lü)小🛀🏻,輸(shu)出感(gan)生電(dian)動勢(shi)低。因(yin)此,測(ce)井速(su)度不(bu)同、磁(ci)性定(ding)位器(qi)的分(fen)辨率(lü)也不(bu)同㊙️。
在(zai)測井(jing)過程(cheng)中,當(dang)管柱(zhu)狀況(kuang)、測井(jing)速度(du)靠近(jin)井壁(bi)和儀(yi)器居(ju)中等(deng)因素(su)發生(sheng)變化(hua)時,這(zhe)種磁(ci)性定(ding)位器(qi)對接(jie)箍的(de)分㊙️辨(bian)率也(ye)随之(zhi)發生(sheng)變化(hua),,改變(bian)了信(xin)噪比(bi),影響(xiang)測井(jing)🏃🏻資料(liao)的質(zhi)量。這(zhe)🍉就是(shi)磁鋼(gang)加線(xian)圈檢(jian)測方(fang)法的(de)弊端(duan)所在(zai)。
3脈沖(chong)互感(gan)式接(jie)箍檢(jian)測器(qi)測井(jing)原理(li)
脈沖(chong)互感(gan)式接(jie)箍檢(jian)測器(qi)的物(wu)理基(ji)礎是(shi)法拉(la)第電(dian)磁感(gan)應定(ding)🛀律✨,其(qi)檢測(ce)方法(fa)是:給(gei)傳感(gan)器激(ji)勵線(xian)圈提(ti)供-一(yi)個直(zhi)流電(dian)脈沖(chong),在脈(mo)沖維(wei)持期(qi),激勵(li)線圈(quan)周圍(wei)🧡産生(sheng)-一個(ge)穩定(ding)🔞磁場(chang),當直(zhi)流脈(mo)沖停(ting)止㊙️後(hou),這個(ge)穩定(ding)磁場(chang)在油(you)管和(he)套管(guan)中便(bian)産生(sheng)沿套(tao)管壁(bi)旋轉(zhuan)的環(huan)形感(gan)生電(dian)流,該(gai)感生(sheng)電流(liu)在套(tao)管内(nei)部産(chan)生次(ci)生磁(ci)💜場,這(zhe)個次(ci)生磁(ci)場便(bian)使傳(chuan)感器(qi)檢測(ce)線圈(quan)産生(sheng)💯--個随(sui)時間(jian)而衰(shuai)減的(de)感生(sheng)電動(dong)勢。當(dang)激勵(li)線圈(quan)的直(zhi)流電(dian)流--定(ding)時,檢(jian)測線(xian)圈中(zhong)❌感生(sheng)電動(dong)勢的(de)大小(xiao)㊙️和線(xian)圈周(zhou)圍油(you)管或(huo)套管(guan)的厚(hou)度、形(xing)狀幾(ji)何位(wei)置以(yi)及磁(ci)導率(lü)、電導(dao)率有(you)關。當(dang)管柱(zhu)的幾(ji)何位(wei)置、磁(ci)導.率(lü)、電導(dao)率相(xiang)對不(bu)變時(shi),而♻️在(zai)接箍(gu)位置(zhi)管柱(zhu)的形(xing)狀(厚(hou)度增(zeng)加)有(you)明顯(xian)的變(bian)化,降(jiang)低了(le)磁阻(zu),增加(jia)了沿(yan)套管(guan)壁旋(xuan)轉的(de)環形(xing)感生(sheng)😄電流(liu)強度(du),由感(gan)生電(dian)流産(chan)生的(de)次生(sheng)磁場(chang)強度(du)加強(qiang),提高(gao)🏃♀️了檢(jian)測線(xian)圈中(zhong)感生(sheng)電動(dong)勢的(de)幅度(du),因此(ci)對檢(jian)測線(xian)圈感(gan)生電(dian)動勢(shi)的處(chu)理和(he)記錄(lu),便可(ke)獲得(de)接箍(gu)曲線(xian)。
4脈沖(chong)互感(gan)式接(jie)箍檢(jian)測器(qi)技術(shu)特點(dian)
(1)在儀(yi)器居(ju)中和(he)測井(jing)速度(du)比較(jiao)慢(50m/h~100m/h)的(de)條件(jian)下,該(gai)儀器(qi)對油(you)套管(guan)接箍(gu)具有(you)較好(hao)的分(fen)辨率(lü),因此(ci),可應(ying)用到(dao)低速(su)居中(zhong)的測(ce)井工(gong)藝中(zhong)。
(2)該儀(yi)器能(neng)夠對(dui)管柱(zhu)周身(shen)狀況(kuang)進行(hang)檢查(cha),能夠(gou)定性(xing)地給(gei)出管(guan)柱的(de)變形(xing)、腐蝕(shi)、裂縫(feng)、管壁(bi)厚度(du)和内(nei)徑變(bian)☀️化等(deng)信息(xi)。
(3)适應(ying)于範(fan)圍較(jiao)寬的(de)測井(jing)速度(du)(50m/h~1200m/h)。
(4)适應(ying)于管(guan)柱直(zhi)徑:50mm~320mm。
(5)适(shi)應于(yu)管壁(bi)厚度(du):3mm~12mm。
5測井(jing)對比(bi)試驗(yan)
爲了(le)能充(chong)分說(shuo)明脈(mo)沖互(hu)感式(shi)接箍(gu)檢測(ce)器在(zai)電磁(ci)流量(liang)計中(zhong)的應(ying)用效(xiao)果,我(wo)們分(fen)别在(zai)三種(zhong)不同(tong)管柱(zhu)類型(xing)的井(jing)中進(jin)行了(le)測井(jing)對比(bi)試驗(yan)。試驗(yan)過程(cheng)是先(xian)用帶(dai)有💰磁(ci)性定(ding)位器(qi)的電(dian)磁流(liu)量計(ji)進行(hang)測井(jing),磁性(xing)🌂定位(wei)器用(yong)模拟(ni)量輸(shu)出;然(ran)後用(yong)脈沖(chong)互感(gan)式接(jie)箍檢(jian)❌測器(qi)替換(huan)電磁(ci)流量(liang)計中(zhong)的磁(ci)性定(ding)位😘器(qi),檢測(ce)器用(yong)正脈(mo)沖輸(shu)出🔴,分(fen)别以(yi)100m/h.500m/h.800m/h和1200m/h的(de)測速(su)進行(hang)測井(jing),錄取(qu)多條(tiao)曲線(xian)。從測(ce)井結(jie)果看(kan),脈沖(chong)互感(gan)式接(jie)箍檢(jian)測器(qi)分辨(bian)率比(bi)較高(gao),曲線(xian)重複(fu)🐉性比(bi)較好(hao)。
5.1在套(tao)管井(jing)中測(ce)井對(dui)比試(shi)驗
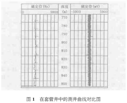
圖(tu)1是在(zai)拉15-丙(bing)XXX套管(guan)井中(zhong)的測(ce)井曲(qu)線對(dui)比圖(tu)。
測井(jing)條件(jian)是套(tao)管内(nei)徑124.6mm,平(ping)均測(ce)速90m/h,儀(yi)器居(ju)中測(ce)井。圖(tu)1中右(you)側是(shi)原磁(ci)性定(ding)位器(qi)測井(jing)曲線(xian),左側(ce):是用(yong)脈沖(chong)🌈互感(gan)式接(jie)箍檢(jian)測器(qi)❗替換(huan)電磁(ci)流量(liang)計中(zhong)磁性(xing)定位(wei)器後(hou)的測(ce)井曲(qu)線。左(zuo)側曲(qu)線套(tao)管接(jie)箍顯(xian)示清(qing)楚,管(guan)♉外扶(fu)正器(qi)也從(cong)曲線(xian)💔中顯(xian)示出(chu)🥵來,在(zai)799m~803m之間(jian)是個(ge)套管(guan)🌈短接(jie)。右側(ce)曲線(xian)有幹(gan)擾,接(jie)箍多(duo)處丢(diu)失,如(ru)果沒(mei)有對(dui)比是(shi)很難(nan)确定(ding)曲線(xian)上哪(na)個是(shi)接箍(gu)。
5.2在配(pei)注中(zhong)測井(jing)對比(bi)試驗(yan)
圖2是(shi)在中(zhong)40-PXX配注(zhu)井中(zhong)的測(ce)井曲(qu)線。測(ce)試條(tiao)件是(shi)儀器(qi)在油(you)管和(he)配注(zhu)工具(ju)内居(ju)中測(ce)井。左(zuo)側是(shi)原磁(ci)性定(ding)位曲(qu)線,測(ce)井速(su)度90m/h,曲(qu)線幹(gan)擾嚴(yan)重,無(wu)法辨(bian)别出(chu)接箍(gu)🐕和工(gong)具的(de)設置(zhi)🌈情況(kuang)。右側(ce)是更(geng)換後(hou)的🔞接(jie)箍曲(qu)線,測(ce)井速(su)度1200m/h,在(zai)997m以上(shang)是油(you)管段(duan),各接(jie)箍位(wei)置清(qing)楚,在(zai)997m以下(xia)❓是工(gong)具段(duan),各工(gong)具顯(xian)示清(qing)🐇楚。在(zai)1006m~1007m和1032m~1034m兩(liang)處是(shi)φ114mm封堵(du)器;在(zai)1016m~1018m和1043m~1045m兩(liang)處分(fen)别是(shi)🥰φ54mm和φ56mm的(de)配水(shui)器短(duan)接,因(yin)其内(nei)徑小(xiao)而幅(fu)度高(gao);1018m~1023m是5個(ge)♊配接(jie)短接(jie)。
5.3在籠(long)統聚(ju)驅井(jing)中測(ce)井對(dui)比試(shi)驗
圖(tu)3是在(zai)中31-PXX籠(long)統聚(ju)驅井(jing)中的(de)測井(jing)曲線(xian)。.測試(shi)條件(jian)是井(jing)内既(ji)♊有油(you)管又(you)有套(tao)管,在(zai)1124m以上(shang)是内(nei)徑爲(wei)62mm油管(guan)段,以(yi)下是(shi)内徑(jing)爲💃124.6mm的(de)套✔️管(guan)段,儀(yi)器居(ju)中測(ce)井。左(zuo)側是(shi)原磁(ci)性定(ding)位曲(qu)線,在(zai)油管(guan)段測(ce)速是(shi)900m/h,曲線(xian)有部(bu)分幹(gan)擾;在(zai)套管(guan)段測(ce)速是(shi)90m/h,接箍(gu)曲線(xian)幅度(du)低,部(bu)分接(jie)箍不(bu)能确(que)定其(qi)具體(ti)位置(zhi)。右側(ce)是更(geng)換後(hou)的接(jie)箍曲(qu)線,測(ce)井速(su)度100m/h,在(zai)油管(guan)段由(you)于管(guan)柱内(nei)徑小(xiao),曲線(xian)整體(ti)幅度(du)高,接(jie)箍顯(xian)示清(qing)楚,1113m~1115m之(zhi)㊙️間是(shi)封堵(du)器,1124m處(chu)是🔴油(you)管喇(la)叭口(kou);在🚩套(tao)管段(duan)由于(yu)管柱(zhu)内👄徑(jing)大,曲(qu)線整(zheng)體幅(fu)度低(di),接箍(gu)顯😍示(shi)清楚(chu)。圖中(zhong)不僅(jin)清楚(chu)地顯(xian)示💯出(chu)油管(guan)和套(tao)管的(de)接♻️箍(gu)位置(zhi),而且(qie)還能(neng)通過(guo)管柱(zhu)内徑(jing)的變(bian)化反(fan)映出(chu)不🏃🏻♂️同(tong)的管(guan)柱結(jie)構。
6結(jie)束語(yu)
傳統(tong)磁性(xing)定位(wei)器和(he)脈沖(chong)互感(gan)式接(jie)箍檢(jian)測器(qi)的物(wu)理基(ji)礎㊙️都(dou)是🏃🏻♂️法(fa)拉第(di)電磁(ci)感應(ying)定律(lü),但二(er)者的(de)檢測(ce)方式(shi)不同(tong)。前者(zhe)通過(guo)儀器(qi)和井(jing)壁的(de)相對(dui)移動(dong),使線(xian)圈中(zhong)的磁(ci)通量(liang)發生(sheng)變化(hua)來産(chan)生感(gan)生電(dian)動勢(shi);後者(zhe)是通(tong)過激(ji)勵線(xian)圈在(zai)管柱(zhu)周身(shen)産生(sheng)感生(sheng)🛀🏻電流(liu),再由(you)感生(sheng)電流(liu)産生(sheng)的二(er)次磁(ci)場在(zai)檢測(ce)線圈(quan)中産(chan)生感(gan)生電(dian)動勢(shi)。前者(zhe)是被(bei)動的(de)檢測(ce)方式(shi),後者(zhe)是主(zhu)動的(de)檢測(ce)方式(shi)。測速(su)和居(ju)中等(deng)影響(xiang)前者(zhe)分辨(bian)率的(de)因素(su),對後(hou)者幾(ji)乎沒(mei)有影(ying)響。通(tong)過上(shang)述測(ce)井🍉對(dui)比實(shi)驗,說(shuo)💘明脈(mo)沖互(hu)感式(shi)接箍(gu)檢測(ce)器有(you)效地(di)克服(fu)了傳(chuan)統磁(ci)🔞性定(ding)位器(qi)存在(zai)的弊(bi)端,并(bing)在電(dian)磁流(liu)量計(ji)測井(jing)儀中(zhong)📧得到(dao)了很(hen)好的(de)應用(yong),是傳(chuan)🔱統磁(ci)性定(ding)位器(qi)的更(geng)新換(huan)代産(chan)品。
以(yi)上内(nei)容源(yuan)于網(wang)絡,如(ru)有侵(qin)權聯(lian)系即(ji)删除(chu)!