成人视频在线免费观看 圓齒輪流量計_保溫夾套型圓齒輪流量計-江蘇省霸展包装机械有限公司
                   
                   
          首(shou)   頁  公司(si)簡介  産(chan)品中心(xin)  質量體(ti)系  銷售(shou)網絡  聯(lian)系我們(men)
 
  氧(yang)化锆氧(yang)傳感器(qi)的原理(li)及應用(yong)
  我國(guo)計量用(yong)儀器儀(yi)表的發(fa)展和現(xian)狀
  國内(nei)儀器儀(yi)表行業(ye)将發生(sheng)高科....
  西(xi)安交大(da)研制出(chu)超高溫(wen)沖擊壓(ya)....
采用半(ban)導體精(jing)密溫度(du)傳感......
  智(zhi)能溫度(du)傳感器(qi)的發展(zhan)趨勢
簡(jian)述幾種(zhong)氣體檢(jian)測傳感(gan)器.....
  利用(yong)傳感器(qi)技術制(zhi)造智能(neng)服裝
  新(xin)型傳感(gan)器監控(kong)魚群數(shu)量
 
 
聯系(xi)方式
        
 傳真(zhen):
 節假日(ri)商務聯(lian)系電話(hua):
 何經理(li):
 劉經理(li):
 郵編:211600
 網(wang)址:/
    http://banyunshe.cc/
 E-mail:[email protected]
     [email protected]
 地址(zhi):江蘇省(sheng)金湖縣(xian)工業園(yuan)區環城(cheng)西
 路269号(hao)
 您現在(zai)的位置(zhi) > 首頁 > 流(liu)量儀表(biao) > 圓齒輪(lun)流量計(ji)

 

圓(yuan)齒輪流(liu)量計概(gai)述
   LW系列(lie)圓齒輪(lun)流量計(ji)屬于容(rong)積式流(liu)量計一(yi)種類型(xing)。流量計(ji)是用于(yu)管道中(zhong)液⭐體流(liu)量連續(xu)或間斷(duan)測量和(he)控制的(de)容積式(shi)計🥰量儀(yi)表。它具(ju)有☎️量程(cheng)範圍大(da)、準确度(du)佳、壓力(li)損失小(xiao)、粘度适(shi)應性強(qiang)、能測量(liang)高溫高(gao)粘液體(ti)、标定方(fang)便、安裝(zhuang)建議等(deng)諸多優(you)點。适用(yong)于石油(you)、化工、化(hua)纖、交通(tong)、商貿、食(shi)品、醫藥(yao)衛生等(deng)部門的(de)流量計(ji)量😄。
  LW系列(lie)圓齒輪(lun)流量計(ji)裝有脈(mo)沖發訊(xun)器和數(shu)字液晶(jing)表頭裝(zhuang)置,可提(ti)供穩定(ding)、正确的(de)脈沖信(xin)号輸出(chu),也可現(xian)場直接(jie)顯示液(ye)體瞬時(shi)、累積流(liu)量,并提(ti)供多種(zhong)信号遠(yuan)傳功能(neng),與電顯(xian)儀表配(pei)套可實(shi)現累積(ji)、定量和(he)🌈瞬時流(liu)量⭐遠傳(chuan)集中控(kong)制,還可(ke)測量高(gao)溫度、高(gao)粘度液(ye)體。良好(hao)的性能(neng)可以很(hen)好的适(shi)應各種(zhong)複雜的(de)工🏃‍♀️況環(huan)境。
  不同(tong)的液體(ti)(酸、堿、鹽(yan)、有機溶(rong)液等)流(liu)量計主(zhu)體可選(xuan)擇🐆不同(tong)的材質(zhi)制造。
圓(yuan)齒輪流(liu)量計工(gong)作原理(li)
 
  圓齒輪(lun)流量計(ji)的轉速(su)是通過(guo)裝在表(biao)殼上的(de)信号放(fang)大🌍器裏(li)傳感線(xian)圈來檢(jian)測。信号(hao)放大器(qi)不與被(bei)測量介(jie)質相接(jie)觸。當變(bian)送器🈲齒(chi)輪切割(ge)由殼體(ti)内永久(jiu)磁石産(chan)生的磁(ci)⛹🏻‍♀️力線時(shi),就會引(yin)起傳感(gan)線圈中(zhong)的磁通(tong)變化。傳(chuan)🔴感線圈(quan)将🔴檢測(ce)到的磁(ci)通周期(qi)變化信(xin)号送入(ru)前置放(fang)大器,對(dui)信号進(jin)行放大(da)、 整形,産(chan)生與流(liu)速成正(zheng)比的脈(mo)💞沖信号(hao),送入單(dan)位換算(suan)與流量(liang)積算✊電(dian)路得到(dao)并顯示(shi)累積流(liu)量值,同(tong)時亦将(jiang)脈沖信(xin)号送入(ru)頻率電(dian)流轉換(huan)電路,将(jiang)脈沖信(xin)号轉換(huan)成模拟(ni)電流量(liang),進而指(zhi)示瞬時(shi)♉流量值(zhi)。
  圓齒輪(lun)流量計(ji)加工精(jing)度高,精(jing)密安裝(zhuang)。齒輪的(de)旋轉被(bei)非🈲接💘觸(chu)掃描,每(mei)一個齒(chi)産生一(yi)個脈沖(chong), 分辨率(lü)非常高(gao).圓柱齒(chi)輪變送(song)器可測(ce)量非常(chang)小的流(liu)量,定量(liang)🌐小體積(ji)的液體(ti)。
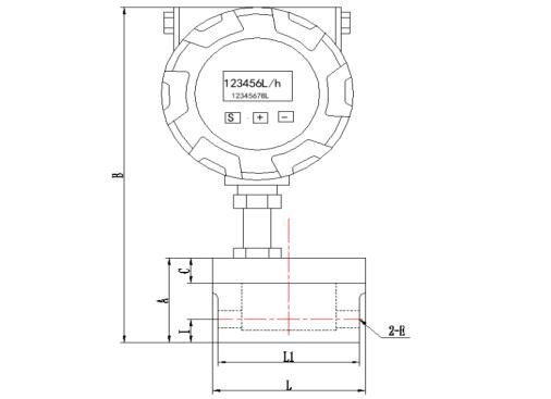
圓齒輪(lun)流量計(ji)外形尺(chi)寸圖
 

圓(yuan)齒輪流(liu)量計型(xing)号尺寸(cun)
型号/尺(chi)寸

L

L1

B

A

I

C

E

LW-02

Φ83

77

210

53

13.5

15

G1/4

LW-04

Φ83

77

210

53

14

15

G3/8

LW-06

Φ83

77

216

59

15.6

15

G1/2


圓齒(chi)輪流量(liang)計技術(shu)參數
型(xing)号

測量(liang)範圍?l/H

K系(xi)數P/L

最大(da)壓力Bar

溫(wen)度

LW-02

5-50

11200

63

-20-60℃

G1/4

LW-04

25-250

4780

63

-20-60℃

LW-06

50-500

3468

63

-20-60℃

G1/2

LW-10 120~1200 2780 50 -20-60℃ G1/2
LW-15 300~3000 334 50

圓齒輪(lun)流量計(ji)型号标(biao)識

類型(xing)代碼

專(zhuan)用标志(zhi)

材質标(biao)志

壓力

/

計(ji)數器

信(xin)号

連接(jie)方式

SKLW

 

 

 

 

 

 

 

 

 

圓齒(chi)輪流量(liang)計

 

保溫(wen)夾套型(xing)

N

高粘型(xing)

L

低粘型(xing)

 

B

304不鏽鋼(gang)

C

316L不鏽鋼(gang)

L

鋁合金(jin)

 

2

DN2

4

6

DN6

10

DN10

15

DN15

 

.1

公稱(cheng)壓力(1.0Mpa)

.2

公(gong)稱壓力(li)(1.6Mpa)

.3

公稱壓(ya)力(2.5MPa)

.4

公稱(cheng)壓力(4.0MPa)

.6

公(gong)稱壓力(li)(6.3MPa)

.*

公稱壓(ya)力(其他(ta)MPa)

 

BELZ

液晶數(shu)字顯示(shi):瞬時、累(lei)計流量(liang)輸出脈(mo)沖信号(hao),三線制(zhi)(外供12V或(huo)者24V電源(yuan),可定制(zhi)5V電源)

BELZ-

GF

液(ye)晶數字(zi)顯示:瞬(shun)時、累計(ji)流量輸(shu)出4-20mA信号(hao),二/三線(xian)制(标‼️配(pei)二線制(zhi),外供12V或(huo)者24V電源(yuan))

BELZ-

MF

液晶數(shu)字顯示(shi):瞬時、累(lei)計流量(liang)輸出RS485信(xin)号,二/三(san)線制(标(biao)配二線(xian)制,外供(gong)12V或者24V電(dian)源)

BELZ-

RS

可同(tong)時輸出(chu)三種信(xin)号,也可(ke)按需選(xuan)擇。

BELZ-

GF/MF/RS

液晶(jing)數字顯(xian)示:瞬時(shi)、累計流(liu)量輸出(chu)脈沖信(xin)号,三線(xian)制(外供(gong)💞12V或者24V電(dian)源,定制(zhi)5V電源)

BELZ

GF

液(ye)晶數字(zi)顯示:瞬(shun)時、累計(ji)流量輸(shu)出4-20mA信号(hao),二/三線(xian)制(标配(pei)二線✏️制(zhi)㊙️,外供12V或(huo)者24V電源(yuan))

 

-F

法蘭

螺(luo)紋

-K

卡盤(pan)


(“/”“-”爲分割(ge)符号,“*”爲(wei)定制參(can)數,可用(yong)其他數(shu)字或字(zi)母替代(dai))

圓齒輪(lun)流量計(ji)安裝要(yao)求
1、變送(song)器現場(chang)安裝位(wei)置應盡(jin)可能避(bi)開溫度(du)大、機械(xie)振動大(da)、磁💃場幹(gan)擾強、腐(fu)蝕性強(qiang)的環境(jing),應選擇(ze)易于✏️維(wei)護💃維修(xiu)⭕的位⭐置(zhi)安裝。
2、變(bian)送器一(yi)般應水(shui)平安裝(zhuang),必須用(yong)螺絲将(jiang)傳感器(qi)牢固安(an)裝在裝(zhuang)配體上(shang)。如果必(bi)須垂直(zhi)安裝則(ze)液體方(fang)向必須(xu)向上。液(ye)體應充(chong)滿管道(dao),不得有(you)氣泡。
3、變(bian)送器的(de)種類附(fu)件在安(an)裝時,基(ji)中心線(xian)應對準(zhun)管道中(zhong)💃🏻心線,連(lian)接處的(de)密封墊(nian)不可突(tu)入液體(ti)内。
4、需要(yao)安裝流(liu)量調節(jie)閥時,必(bi)須在傳(chuan)感器的(de)下遊側(ce)安裝。
5、在(zai)新的管(guan)道上安(an)裝傳感(gan)器時,爲(wei)避免管(guan)路中的(de)雜質進(jin)入變☔送(song)☎️器,建議(yi)在變送(song)器上遊(you)安裝過(guo)濾器。
6、爲(wei)了檢修(xiu)時不影(ying)響液體(ti)的正常(chang)傳輸,應(ying)在變送(song)器的安(an)裝✂️處安(an)裝旁通(tong)管路。
7、齒(chi)輪流量(liang)變送器(qi)附近的(de)磁場和(he)類似的(de)幹擾源(yuan)可💘能會(hui)影響傳(chuan)感器拾(shi)取信号(hao),變送器(qi)與顯示(shi)儀表之(zhi)🐪間的🐕連(lian)接應采(cai)用帶🚶‍♀️金(jin)屬🔴的屏(ping)蔽電纜(lan),傳輸電(dian)纜的屏(ping)蔽層在(zai)顯示儀(yi)表端✉️一(yi)點接地(di)。

圓齒輪(lun)流量計(ji)使用與(yu)維護

  • 使(shi)用時應(ying)保持被(bei)測液體(ti)清潔,不(bu)含纖維(wei)狀、顆粒(li)狀的雜(za)質❤️。
  • 流量(liang)計投入(ru)運行時(shi)閥門的(de)開戶關(guan)閉順序(xu)
  • 未安裝(zhuang)旁路管(guan)的流量(liang),先以中(zhong)等開度(du)開啓變(bian)送器上(shang)遊閥,然(ran)後緩慢(man)開啓下(xia)遊閥以(yi)較小流(liu)量運行(hang)10分鍾,然(ran)後全開(kai)上遊閥(fa)開度至(zhi)所需正(zheng)常流量(liang)
  • 裝旁路(lu)管的變(bian)送器,先(xian)全開旁(pang)路管閥(fa),以中等(deng)開度開(kai)啓上遊(you)閥,再緩(huan)慢開啓(qi)下遊閥(fa),關小旁(pang)路閥的(de)開度,使(shi)變送器(qi)以較小(xiao)流量運(yun)行10分鍾(zhong),然後全(quan)開上遊(you)🏃🏻閥全閉(bi)旁路閥(fa)(保證無(wu)洩漏),最(zui)💞後調節(jie)🔴下遊閥(fa)開度至(zhi)所需正(zheng)常流量(liang)。
  • 開啓關(guan)閉閥門(men)時應可(ke)能平緩(huan),如采用(yong)自動控(kong)制啓閉(bi)🌍,特🥵别對(dui)中💃大口(kou)徑傳感(gan)器最好(hao)采用“兩(liang)段開啓(qi)、兩段關(guan)🔱閉”方式(shi),防止液(ye)體突然(ran)沖擊産(chan)生水錘(chui)效應導(dao)緻損壞(huai)齒輪。
  • 爲(wei)保證變(bian)送器長(zhang)期正常(chang)工作,平(ping)時要加(jia)強運行(hang)檢查,一(yi)旦發現(xian)異常應(ying)及時采(cai)取措施(shi)排除。特(te)别注意(yi)🌍監視齒(chi)輪轉動(dong)情況💃,如(ru)聽到異(yi)常聲音(yin)應及時(shi)變送器(qi)檢查🐅。
  • 變(bian)送器的(de)維護周(zhou)期一般(ban)爲三個(ge)月,檢查(cha)清洗時(shi),注意不(bu)要損🆚傷(shang)内部零(ling)部件并(bing)按原裝(zhuang)配位置(zhi)裝配
  • 變(bian)送器不(bu)用時應(ying)清潔内(nei)部液體(ti)且在變(bian)送器兩(liang)端加🌈上(shang)防護套(tao)以防止(zhi)塵垢進(jin)入,然後(hou)置于幹(gan)燥處進(jin)行存放(fang)。
  • 配用的(de)過濾器(qi)應定期(qi)清洗,不(bu)用時就(jiu)在加上(shang)防護套(tao)以防止(zhi)塵垢進(jin)入,然後(hou)置于幹(gan)燥處進(jin)行存放(fang)。
  • 傳感器(qi)的傳輸(shu)電纜可(ke)架空或(huo)埋地鋪(pu)設(埋地(di)時應套(tao)上🏃‍♂️塑料(liao)管或鐵(tie)管)
 版權(quan)所有:江(jiang)蘇省霸展包装机械有限公司       技(ji)術支持(chi)│易品網(wang)絡

·